当前位置:主页 > TAG标签 > 圆锥破
  • <b>圆锥破的不同给料方式对产量的影响</b> 圆锥破的不同给料方式对产量的影响

    2020-08-20

    日期:
    NEW
    作者:买球比较靠谱机械   来源:买球比较靠谱的网站

    本文介绍圆锥破的不同给料方式,对于圆锥破来说,厂家在设计时一般都会要求满足连续均匀、满腔中心进料的条件。而实际中,很多石料厂都不太注重圆锥进料布置。殊不知错误的进...

  • <b>过铁对圆锥破的损伤及采取的处理措施</b> 过铁对圆锥破的损伤及采取的处理措施

    2020-07-29

    日期:

    作者:买球比较靠谱机械   来源:买球比较靠谱的网站

    在原矿的开采、铲装、运输和加工过程中总会混入大小不一、形式各异的铁物,且利用现有除铁器和金属探测器难以有效去除,特别是在强磁性矿物的破碎工序中除铁更是困难,这些铁...

  • <b>什么是砂石骨料?建一条骨料生产线都需要哪些设备?</b> 什么是砂石骨料?建一条骨料生产线都需要哪些设备?

    2020-06-17

    日期:

    作者:买球比较靠谱机械   来源:买球比较靠谱的网站

    砂石骨料可能是我们砂石行业使用最多也是最被大家所熟知的一个名字。一提到它,你可能就会说不就是沙子、石子这些吗?那么关于砂石骨料的具体定义,用途你真的清楚吗?今天菲...

  • <b>二级破碎设备怎么选型?从8个方面看圆锥破和反击破碎机的区别</b> 二级破碎设备怎么选型?从8个方面看圆锥破和反击破碎机的区别

    2020-06-15

    日期:

    作者:破碎机设备   来源:破碎机厂家

    破碎设备在建筑砂石骨料生产线配置上有着至关重要的作用。合理的设备配置关系到整条生产线的投资成本、生产成本、产品质量及产品成品率等。 对于二级破碎设备来说,圆锥式破...

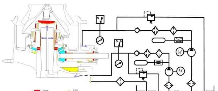
  • <b>圆锥破碎机润滑油路包括哪些步骤以及主要润滑部位的特点分析</b> 圆锥破碎机润滑油路包括哪些步骤以及主要润滑部位的特点分析

    2020-06-15

    日期:

    作者:买球比较靠谱机械   来源:买球比较靠谱的网站

    圆锥破碎机首要采用稀油循环的光滑方法,其光滑的部位首要是球面轴承、主轴轴承、偏疼套轴承、圆锥齿轮和传动轴等处。圆锥破碎机产生的光滑不良现象,大多集中在首要受力部位...

  • <b><font color='#006600'>多缸圆锥破碎机</font></b> 多缸圆锥破碎机

    2020-06-02

    日期:

    作者:买球比较靠谱机械   来源:

    买球比较靠谱生产的多缸液压圆锥式破碎机,主要用于砂石加工中的二级破碎或三级破碎环节。该机在破碎硬度较大的物料以及细碎方面具有优势,从而广泛地应用于河卵石、花岗岩、玄武岩等中硬...

  • <b><font color='#006600'>圆锥破碎机</font></b> 圆锥破碎机

    2020-05-31

    日期:

    作者:买球比较靠谱机械   来源:

    液压圆锥破碎机是买球比较靠谱根据客户的需要,基于层压破碎原理及多破少磨概念设计研发的集高摆频、优化腔型和合理冲程于一体的现代高性能液压圆锥破碎机。该系列圆锥破碎机一般从事第二...

  • <b>砂石厂的场地要如何挑选?</b> 砂石厂的场地要如何挑选?

    2020-05-07

    日期:

    作者:买球比较靠谱机械   来源:买球比较靠谱的网站

    无论是建房还是建厂,地址选择一直都是我们十分重视的一个问题。搁以前,可能是受风水学的影响,放现在可能更多的考虑是成本问题。作为砂石行业知识的搬运工,关于砂石厂厂址...

  • <b>液压圆锥破碎机调整环跳动、机架摆动!异常振动的11个原因分析</b> 液压圆锥破碎机调整环跳动、机架摆动!异常振动的11个原因分析

    2020-05-06

    日期:

    作者:买球比较靠谱机械   来源:买球比较靠谱的网站

    液压圆锥破碎机在中硬物料的中碎和细碎加工系统应用广泛。由于运行环境恶劣,圆锥破碎机经常出现非正常振动的现象,如调整环跳动、机架摆动等,对设备的伤害非常大,生产能力...

  • <b>如何提高机制砂质量?砂石骨料生产质量控制的5个措施分析</b> 如何提高机制砂质量?砂石骨料生产质量控制的5个措施分析

    2020-05-06

    日期:

    作者:买球比较靠谱机械   来源:买球比较靠谱的网站

    砂石骨料一般分为粗骨料和细骨料两种,粒径大于5mm的为粗骨料,小于5mm的为细骨料。粗骨料按粒径80~150mm为特大石,40~80mm为大石,20~40mm为中石,5~20mm为细石;细骨料分为粗砂、中砂和...

推荐内容
返回首页